enerji, otomasyon, elektrik, elektronik, ali, özdemir, tiaportal, factoryio, eplan,
AMAÇ:
Sensörlü merdiven otomatiği tesisatını kurmak ve çalıştırmak için gerekli bilgi ve becerileri kazanmak.
GİRİŞ:
Çok katlı binalarda merdiven boşluğunda bulunan lambaların kumandası merdiven otomatiği ile yapılırdı. Ancak günümüzde sensörler yardımıyla merdiven boşluğunda her kattaki daire giriş kapıları önündeki tavanda bulunan lambaların konrolü harekete duyarlı tasarlanmaktadır. Bunun avantajı sadece kimse olduğunda lamba yanacağı için, enerjiden tasarruf sağlamaktadır. Ayarlanan süre ve ışık şidedetine bağlı olarak çalışmaktadır.
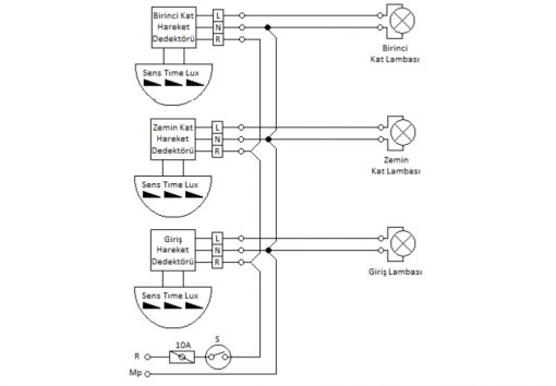
BAĞLANTI ŞEMASI:

İŞLEM BASAMAKLARI:
1. Çizdiğiniz devre şemasına göre uygun deney setini seçiniz.
2. Kablolar yardımıyla bağlantıyı yapınız.
3. Lambaları duya takarak öğretmeniniz denetiminde tesisata enerji veriniz.
4. Hareket sağlayarak lambaları yakınız.
5. İletkenleri bir sonraki temrinde kullanılacak şekilde dikkatlice sökünüz.
SORULAR:
1. Merdiven otomatiği tesisatını sensorlu hale getirebilir miyiz?
2. Kullandığınız hareket dedektörünün yapısı ve çalışması hakkında bilgi veriniz.
3. Sensörlü merdiven otomatiği tesisatını kurmak neden avantajlıdır?
4. Merdiven otomatiği yerine hareket dedektörü yerleştirsek ne olur?
5. Üç kat altı daireli apartmanın sensörlü merdiven otomatiği tesisatının açık şemasını çiziniz.